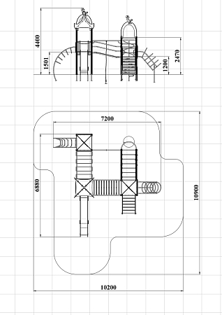
Технические параметры
Длина:
7200 мм
Ширина:
6880 мм
Высота:
4400 мм
Возраст:
от 7 до 13 лет
Высота падения:
2470 мм
Площадь зоны безопасности:
100 м2
ДИК 3.213-ДПК Детский игровой комплекс Н=1500 мм (Палитра 5 (-11,32))
Детский игровой комплекс состоит из трех башен с крышами. На первой башне установлена лестница, спираль наклонная, ручки вспомогательные, ограждение с круглым лазом, вынесенная шведская стенка с рукоходом, перекладиной с гимнастическими кольцами и шестом спиралью. На второй башне установлена горка и фанерное ограждение. На третьей башне установлена лиана, ручки вспомогательные, ограждение фанерное и шведская стенка. Первая и вторая башни соединяются разновысоким мостом с металлическими перилами. Вторая и третья башни соединены подвесным качающимся мостом.






