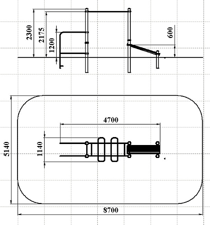
Технические параметры
Длина:
4700 мм
Ширина:
1140 мм
Высота:
2300 мм
Возраст:
от 14 до 18 лет
Высота падения:
2175 мм
Площадь зоны безопасности:
45 м2
СО 7.26 Рукоход с брусьями (Палитра 4 (с22/22,34))
Воркаут состоит из шести несущих столбов, четырех перекладин, рукохода-змейки двойной, гимнастических брусьев и наклонной скамьи из бруса с зажимными хомутами.



